Introduction
This comprehensive security system ensures that no one will be able to come near the treasure without alerting security. The system is split into three rings: the F ring, C ring, and the S ring.
These rings have seven, six, and two sensors, respectively. The F ring is the outermost ring and represents a first layer breach. The inner ring C has six sensors to alert of a center layer breach.
Finally, the innermost ring S will indicate a full security breach of the treasure room.
Sensor Design
The security system operates through the input of fifteen sensors and displays the relevant output on a seven-segment digital display.
If there are no security threats, the display will be entirely off. If there is a breach in the F ring, an F will appear. The same display will indicate a breach in the C or S ring with an according C or S.
The system will always show the highest threat level and will not revert to any lower threat level. When the threat is neutralized, there is a reset button that will reset the breach status.
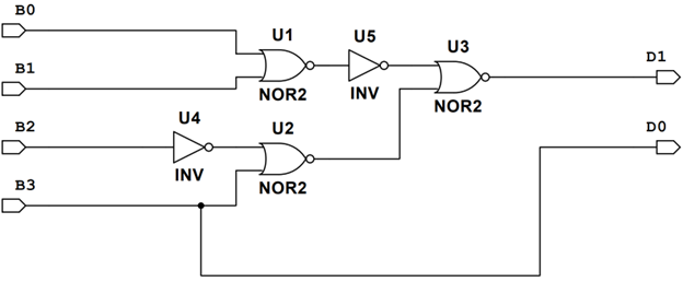
To represent the different ring layers we used two bits, D1 and D0. The final sensor placement involved simplifying D0 as much as possible.
The resulting logic was D1 = ~B1 ~B0 [B3 + ~B2].

Threat Level Memory Design
To show the highest recorded threat level, a state machine is required. Whenever a higher threat level is triggered, the next state is that higher threat level.
However, upon a lower or same level threat being triggered, the next state is the same as the current state, so the machine "remembers" the highest threat level.

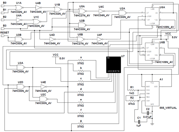
The four excitation equations were simplified using bubble pushing and NOR gates. The resulting logic includes 2 three-input NOR gates, 3 NOTs, and 2 two-input NAND gates.
The clock is driven by a 555 timer in astable mode outputting approximately 15 Hz.

Display Driver Design
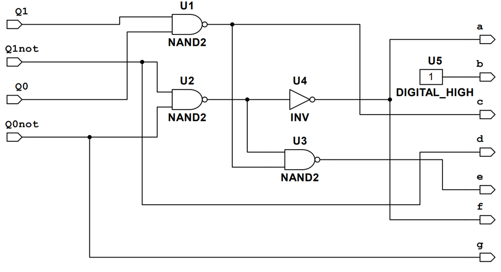
The binary states of the state machine are converted to a letter representation on a seven-segment display (F, C, or S).
A common anode seven segment display is used so a LOW signal will turn the display on.

Final Design / Conclusion

The total cost of the gates came out to $14.80.
Ethical Factors
This security system design protects valuables without violating the public health, safety, or welfare.
This system serves as an alert tool only; it does not automate any sort of security or defense measures that could accidentally put someone in harm's way.
The response of this design is influenced only by the values from the sensors, so this design has no bias in its alert functionality.